SM series safety floor mats
characteristic:◆Redundantdesign,safeandreliable,caneffectivelydetectshortandopencircuitsingroundmatsignalcables;◆Excellentperformanceinimpactresistance,wheelrollingresistance,andresistancetocorrosionf...
characteristic:
◆Redundant design, safe and reliable, can effectively detect short and open circuits in ground mat signal cables;
?
◆Excellent performance in impact resistance, wheel rolling resistance, and resistance to corrosion from various acids, alkalis, salts, and other chemical substances;
◆Equipped with a dedicated controller, capable of splicing up to 10m2;
◆Multiple specifications are available for selection, and can also be customized into various special shapes;
◆Comply with the requirements of EN1760-1 standard and safety control SM3P2A1B24?Combined use,Meet EN ISO 13849?Performance level PL d。
Floor mat parameters:
?
| series | G-series | h series |
| thickness | 15mm | 20mm |
| quality | 21 Kg/m2 | 28 Kg/m2 |
| Maximum withstand pressure | 2,000N(useφ80mmTest piece) | 8,000N(useφ80mmTest piece) |
| Operating force? | ≥200N | ≥300N |
| material quality | PVC(polyvinyl chloride) | NBR,CR (rubber) |
| mechanical life | >100one million time | >300one million time |
| Operating ambient temperature | -20~+55℃ | -30~+65℃ |
| size | Special customization with an area greater than 1.5m2 or a single side length greater than 3m | |
| invalid region | Cable leading-out edge≤20mm,Non cable outlet edge ≤10mm | |
| Length | 5m | |
| Standards | EN1760-1 | |
| protection grade | IP65 | |
| Anti slip grade | ?R9 | |
Controller parameters:
?
?
| model | SM3P2A1B24 |
| INPUT VOLTAGE? | 24V DC |
| security level | PL d |
| voltage tolerance | ±10% |
| operation temperature | -10~+55℃ |
| storage temperature | -40~+85℃ |
| consumption | <3W |
| protection grade | IP50 |
| Output | 2NO+1NC |
| Maximum switching capacity? | AC-15,5A/250? DC-13,6A/24V |
| Anti interference level | IEC61131-3 |
| Contact fuse protection | 5AT or 6AF |
| Voltage withstand level | AC 1890V 50/60Hz 1min |
| response time | <30ms |
| Wire cross-sectional area | 0.2 - 2.5mm2 |
| Standards |
EN ISO 13849-1, EN1760-2,EN 61000-6-2, EN 61000-6-3 |
| Torque setting of the terminal | 0.5Nm |
| size | 96(L)×22.5(W)×116(H)mm |
| Vibration requirements | EN 60068-2-6? |
| Environmental compliance | EN 60068-2-78 |
Model description:

Selection Table:
?
?
| model | Overall dimensions(mm) | |
| long(L) | wide(W) | |
| SMG/H-300-300 | 300 | 300 |
| SMG/H-400-400 | 400 | 400 |
| SMG/H-500-250 | 500 | 250 |
| SMG/H-500-400 | 500 | 400 |
| SMG/H-500-500 | 500 | 500 |
| SMG/H-600-400 | 600 | 400 |
| SMG/H-750-250 | 750 | 250 |
| SMG/H-750-500 | 750 | 500 |
| SMG/H-750-750 | 750 | 750 |
| SMG/H-1000-250 | 1000 | 250 |
| SMG/H-1000-500 | 1000 | 500 |
| SMG/H-1000-750 | 1000 | 750 |
| SMG/H-1000-1000 | 1000 | 1000 |
| SMG/H-1500-500 | 1500 | 500 |
| SMG/H-1500-750 | 1500 | 750 |
| SMG/H-1500-1000 | 1500 | 1000 |

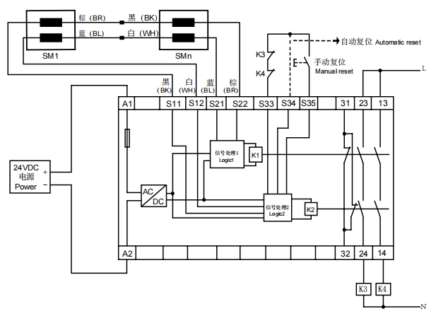
install:

?
?